Что это такое?
Обычно офтальмологи назначают бифокальные очки при дальнозоркости. Эта оптика корректирует зрение – как вблизи, так и вдаль. Выписывают такие линзы для разнообразных целей: от чтения до игры в бильярд. Очки можно купить лишь после консультации специалиста и проведения обследования, по рецепту.
Базовыми преимуществами такого устройства являются быстрая коррекция видения, доступная цена, а также возможность подбора линз каждому пациенту с индивидуальными качествами.
Бифокальные очки прописывают не только взрослым, но и малышам. К их недостаткам относятся наличие противопоказаний, возникновение головной боли или тошноты при ношении.
Виды бифокальных линз
Они функционируют по принципу одноименных очков, оставаясь незаметным для окружающих и причиняя носящему малые неудобства. Различают:
- мягкие;
- жесткие линзы.
Также по времени ношения:
- однодневные;
- многодневные.
Отличаются бифокальные линзы по расположению оптических зон:
Мультифокальные контактные линзы изготавливаются в гелевых линзах и проницаемых для прочного газа объективах. Существует два основных типа конструкций мультифокальных контактных линз. Наиболее распространенным является набор концентрических окружностей линз с градуировкой для различных расстояний просмотра. Существуют также комбинированные проекты, которые содержат как градуировки от ближнего и дальнего к центру глаза, так и имитацию естественного зрительного восприятия путем исправления определенных точек аберрации глаз.
Выбор мультифокальных контактных линз
Откуда вы знаете, имеет ли смысл мультифокальные контактные линзы? Вот некоторые плюсы и минусы для взвешивания до и во время консультации с офтальмологом. Многофокальные имеют ряд преимуществ, среди которых.
Недостатки мультифокальных
- Лучшая острота зрения для диапазона расстояний от ближнего до дальнего.
- Менее резкое изменение между градациями.
- Возможность видеть в большинстве условий без дополнительных очков.
Многофокальные контактные линзы обладают большой функциональностью, но также могут быть.
- Асферические. Область для близи расположена к центру, для дали — по кромкам.
- Концентрические. Оптические области расположены кольцами.
- Переменные. Идентичны с бифокальными очками, так как имеют четкую линию разделения оптических областей.
Носить бифокальную оптику сначала бывает трудно. Ведь глазному аппарату приходиться постоянно подстраиваться для создания нормального изображения. Со временем человек привыкает к такому оптическому прибору.
Альтернативы мультифокальным контактным линзам
Сопровождается ночным бликом и туманным или размытым видением во время адаптационного периода.
- Сложнее с точки зрения адаптации из-за другого впечатления от просмотра.
- Более дорогое из-за повышенной сложности дизайна.
Если мультифокальное изображение не кажется хорошим решением, есть несколько других вариантов, в том числе.
Комбинируйте очки для чтения с обычными контактными линзами Типы мультифокальных контактных линз Контактные линзы для моновизионных бифокальных контактных линз Хирургическая коррекция или имплантация линз, рекомендованная вашим врачом. Ваш офтальмолог – ваш лучший союзник, когда вы думаете о покупке контактных линз и других решениях по уходу за глазами. Это поможет вам найти правильные варианты коррекции для вас и подгонит ваш образ жизни и в первые несколько месяцев проведет оценку, чтобы убедиться в правильности выбора.
Разметка для монофокальных линз
Перед началом разметки нужно выправить оправу и обеспечить её правильную посадку на лице. Для этого полезно иметь в салоне набор необходимых инструментов — без них бывает сложно добиться даже правильного положения носоупоров, не говоря о более сложных манипуляциях. Попутно можно нанести на линзы результаты измерения межзрачкового расстояния, чтобы затем откорректировать их на надетой оправе. После завершения выправки попросите пациента посмотреть в зеркало и убедиться в правильном положении оправы.
- Предложите пациенту сесть и посмотреть прямо. Заметьте, что после просьбы «посмотреть прямо» или «принять обычное положение головы и тела» эти положения часто превращаются в необычные, поэтому приглядывайтесь к пациенту заранее. Если возникают сомнения или замешательство, попросите пациента встать и пройти несколько шагов, а сами в это время запоминайте как он держит голову. Затем попросите остановиться и посмотреть прямо, зафиксируйте найденное положение, измерив пантоскопический наклон оправы и выставьте такой же угол в положении сидя. Или просто выставьте нулевой пантоскопический угол, и размечайте в этом положении (см. «»).
- Сядьте напротив пациента на расстоянии 40 см так, чтобы ваши глаза находились на одном уровне с глазами пациента по горизонтали (попросите помошника проверить это со стороны). Посмотрите на пациента поочередно правым и левым глазом несколько раз (как при измерении межзрачкового расстояния линейкой) и убедитесь, что углы зрения примерно одинаковы.
- Попросите пациента смотреть обоими глазами в ваш левый глаз. Прикройте свой правый глаз и отметьте центр правого зрачка пациента. Теперь попросите пациента смотреть обоими глазами в ваш правый глаз. Прикройте свой левый глаз и отметьте центр левого зрачка пациента. Если у пациента косоглазие, он должен смотреть одним глазом — для этого следует прикрывать ладонью его второй глаз.
- Попросите пациента снять оправу и измерьте расстояние между точками — оно должно соответствовать бинокулярному межзрачковому расстоянию. Если цифры не совпадают, проверьте правильность разметки или измерьте межзрачковое расстояние ещё раз.
Заметьте, результаты измерения PD пупиллометром по роговичному рефлексу, могут отличаться от измерения по центру зрачка на 1-2 мм. Чтобы не терзаться сомнениями какое PD точнее — вы можете использовать субъективный тест с красной точкой.
Субъективный тест с красной точкой
- Нарисуйте красную точку там где вы отметили центры зрачков.
- Попросите пациента надеть оправу и посмотреть каждым глазом отдельно на предмет вдали.
- Предмет должен быть виден в розовом цвете каждым глазом без поворота головы.
- Если для этого приходится поворачивать голову, значит точка находится за пределами зрительной оси, а разметку необходимо повторить.
Компенсация пантоскопического наклона
Вопреки расхожему мнению компенсация пантоскопического наклона нужна не только для асферических линз. Сферические линзы тоже нужно стараться располагать так, чтобы их оптическая ось совпадала с центром вращения глаза. Это делается для того, чтобы минимизировать нежелательный астигматизм, который возникает при повороте линзы. Индивидуальные линзы не требуют смещения центра, так как технология free-form компенсирует наклон при изготовлении.
Оптическая ось линзы совпадает с центром вращения глаза, оптический центр при этом находится ниже центра зрачка
Вариант 1: разделив величину пантоскопического угла на 2, вы получите расстояние в мм, на которое нужно опустить оптический центр линзы относительно центра зрачка, отмеченного ранее.
Вариант 2: посмотрите на пациента сбоку и попросите его медленно поднимать голову до тех пор, пока рамка оправы не встанет строго вертикально (пантоскопический угол будет равен 0); попросите пациента зафиксировать положение головы и отметьте центры зрачков в этом положении — пантоскопический угол будет компенсирован без дополнительных расчётов.
Нулевой пантоскопический угол
Преимущества

- Бифокальные средства коррекции зрения позволяют улучшить внешний вид человека так, как больше нет необходимости носить очки.
- Изготовление линз является отработанной технологией и не требует дорогостоящих производственных затрат, что, соответственно, влияет на конечную стоимость для потребителя.
- Удобство в применении, поскольку отсутствует период адаптации.
- Позволяют вести как активный, так и пассивный образ жизни.
Преимущества бифокальных линз
Очки два в одном изготавливаются по индивидуальному заказу из современных полимеров.
- Не нужно носить с собой две пары очков. Бифокальные позволяют четко различать объекты вблизи/ вдали.
- Доступны каждому пациенту. Есть достаточно бюджетные модели, ничем не отличающиеся от дорогих.
- Выяснение размеров, диоптрий и настройка проводится индивидуально для каждого пациента. Однако это можно считать недостатком. Если очки потерялись, не получится просто зайти в салон оптики, купить в одно мгновенье. Придется заново проходить обследование, ждать изготовления.
- Учитывается форма и тип рамки, межцентровое расстояние и другие параметры.
- Возможно изготовление оптики с разными параметрами для органов зрения.

Как выбрать?
Первым делом определитесь с силой преломления каждого окуляра. Чаще всего достаточно минусовой линзы внизу и нулевой сверху (т.е. без преломляющих способностей). Подобные изделия выбирают пациенты, страдающие от миопии. Они плохо видят вблизи, но легко могут рассмотреть объекты, расположенные на удалении.Минусовой окуляр внизу и плюсовой сверху используют, если пациенту проблематично разглядеть как ближние, так и дальние объекты. Обычно эти очки назначают людям преклонного возраста.
В специфических вариациях минусовая область располагается сверху. Подобные изделия выбирают те, кому необходимо рассматривать мелкие детали, расположенные выше уровня глаз. Соотношение параметров окуляров зависит от того, как часто вы используете ее. Если планируете применять изделие в основном для чтения, то нижняя линза займет ½ поверхности.
Если разглядывание мелких элементов предполагается крайне редко, то минусовой области выделяют небольшой участок в нижних уголках стекол в районе перехода в переносицу.
Как уcтроены бифокальные очки
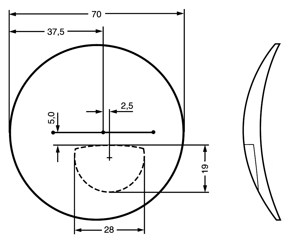
Бифокальные очки состоят из двух частей: верхняя часть, большая по площади, предназначена для зрения вдаль, а нижняя для близкого расстояния. Форма и размер сегмента для зрения вблизи могут быть различными. Чаще всего сегменты имеют подковообразную форму шириной до 2,5-3 см. Бывают округлые сегменты таких же размеров. Встречаются «полносегментные» бифокальные линзы, у которых сегмент занимает всю нижнюю половину линзы.

Бифокальные линзы широко распространены для коррекции пресбиопии (возрастной дальнозоркости). В большинстве случаев пользователи быстро привыкают к таким очкам, хотя резкий переход между зонами для дали и для близи при переводе взгляда с удаленных предметов на близкорасположенные и наоборот, обусловленный разницей в оптической силе сегментов, иногда вызывает определенный дискомфорт.
Следует учесть, что разница в силе линз верхней и нижней зон не должна быть слишком большой, максимум 2-3 диоптрии. Многим не нравится, что бифокальные очки выдают возраст, так как граница сегмента хорошо заметна, а всем известно, что потребность в очках для коррекции пресбиопии возникает чаще всего после 40 лет. Кроме того, сегменты для близи увеличивают нижние веки и область под глазами.

Бифокалами пользуются не только для чтения и работы на расстоянии «вытянутой руки». Можно заказать бифокальные очки для определенных целей, например, для игры в гольф. При этом верхний сегмент также будет предназначен для зрения вдаль, а нижний рассчитан с учетом роста игрока для хорошего зрения во время удара по мячу.
Или можно разместить сегмент для близи в верхней части, например, у пользователей, которым приходится в силу профессии смотреть на мониторы или приборы, расположенные выше уровня головы.
Принцип действия
 Очки — для коррекции зрения
Очки — для коррекции зрения
Бифокальные очки необходимы для одновременной коррекции восприятия удаленных и близких объектов окружающего мира.
До изобретения таких линз людям приходилось пользоваться двумя парами очков – для близорукости и дальнозоркости.
Бифокальные очки позволяют адаптировать зрение к разной дистанции путем объединения двух типов линз. Бифокальные линзы разделены на две зоны разных размеров.
Большая часть линзы (верхняя часть) обеспечивает коррекцию близорукости, то есть позволяет видеть дальние объекты. Небольшая нижняя часть линзы необходима для восприятия ближних объектов.
Таким образом, человеку необходимо лишь двигать глазами вверх или вниз. Нижняя часть линзы также отлично подходит для восприятия текста.
После изобретения бифокальных очков появилось множество новых линз, улучшающих этот принцип коррекции зрения. Были изобретены линзы сразу с несколькими фокусами, позволяющими комфортно видеть объекты любой удаленности.
Про очки с бифокальными линзами расскажет видеосюжет:
https://youtube.com/watch?v=XF2ZTtqUSS0
Плюсы и минусы
Конечно же, цена мультифокальных очков высокая, однако, они того стоят. Изделие имеет массу достоинств:
комфорт зрения – зрительный орган не устаёт от прогрессивных линз, нет искажения, остаётся широта поля зрения (так как наличие в линзе сразу нескольких зон необходимой силы, разрешает сохранить чёткость на любых расстояниях);
психологическое спокойствие – нарушение зрения посторонним неизвестно, нет надобности постоянно менять очки, одни снимать, другие надевать;
простота в использовании – современные очки обладают минимум негативных явлений, важно чётко выполнять требования врача;
польза для здоровья – основной плюс такой формы коррекции зоркости не только в налаживании зрения, но и в предотвращении прогрессирования возрастной дальнозоркости; обусловлено это наличием дополнительных слоёв, оберегающих глаза от неблагоприятных влияний окружающей среды;
настройка, подборка параметров – выполняется индивидуально.
Однако помимо достоинств мультифокальные изделия имеют и определённые минусы:
- их нельзя применять в момент вождения автомобиля, поскольку взгляд шофёра обычно направлен прямо, а очки двухфокусные; в данном случае больше подойдут трифокальные, так как стекло имеет 3 линзы;
- постоянное перекидывание взгляда между зонами способствует дополнительному напряжению на глаза, в этом случае разница между диоптриями оптимальная – не более 4-5 единиц; такой минус возможно корректировать прогрессивными линзами с плавным лёгким переходом;
- ночью видимость бывает размытой;
- разделительная черта сильно заметна, это придаёт визуальное нарушение;
- у людей в пожилом возрасте к очкам долгое привыкание.
Невзирая на все недостатки, достоинств у очков не мало, так что выбор стоит за каждым.
Преимущества и недостатки бифокальных очков
- Преимущество заключается в том, что на смену двум очкам приходят одни.
- С финансовой точки зрения выгодно и удобно, не нужно постоянно носить запасную пару очков.
Это прорыв в жизни пациента. При всех положительных достоинствах очков, недостатками являются:
- сужение расстояния, при котором существует хорошая видимость.
- Визуальный дефект, разделительная полоса хорошо видна собеседнику.
- Иногда при резких поворотах и наклонах головы, она может вызвать у пациента тошноту или головную боль
Прежде чем покупать бифокальные очки, важно посоветоваться с врачом офтальмологом и пройти ряд обследований. Бифокальные и мультифокальные очки устаревший принцип коррекции при пресбиопии
Современные технологии предлагают мультифокальные контактные линзы, преимуществами которых это постоянная острота зрения. Независимо от расстояния предмета, более плавный переход, возможность хорошо видеть
Бифокальные и мультифокальные очки устаревший принцип коррекции при пресбиопии. Современные технологии предлагают мультифокальные контактные линзы, преимуществами которых это постоянная острота зрения. Независимо от расстояния предмета, более плавный переход, возможность хорошо видеть.
Недостатком линз является проблема привыкания у пожилых пациентов и их высокая стоимость. Подбираются они строго индивидуально. Учитываются все особенности условия жизни, состояние здоровья. Противопоказаны линзы при глазных заболеваниях, инфекционных. В преклонном возрасте возрастает необходимость в бифокальном зрении. Технология изготовления линз не стоит на месте. Очень удобны в использовании прогрессивные линзы. У них плавный переход от дальнего расстояния через среднее и близкое.
Прогрессивные мультифокальные можно изготовить в любом дизайне. Они не искажают глаза для рядом присутствующих. Недостатком является их дороговизна, не каждый решается на такую покупку. Но однажды выбрав, уже предпочитают их другим видам очков. Как и каждое лекарство, а это лекарство для глаз, выбор может быть только по назначению врача.
Очки с желтыми линзами для компьютера. Виды очков для компьютера
Помогают очки для монитора улучшить световой спектр, который попадает в глаза, в них комфортно будет находиться в комнате с люминесцентной лампой. Самой главной частью аксессуара являются линзы. Учитывая индивидуальные особенности здоровья глаз у человека, для комфортной работы за монитором производят линзы для очков нескольких видов:
- Антибликовые (поляризационные). Принцип действия заключается в отсеивании отраженного света.
- Бифокальные. Линзы обладают видимой границей, которая делит экран на две оптические зоны.
- Монофокальные. Оптическая зона линз предназначена для наблюдения за экраном, что обеспечивает более широкое поле зрения.
- Прогрессивные. В таких линзах есть 3 обзорных сегмента.
Монофокальные линзы
Оптическая зона монофокальных линз помогает наблюдать за компьютерным экраном, обеспечивая более широкий обзор. Такое изделие дает человеку воспринимать картинки полностью, при этом ему не надо двигать головой. Как правило, монофокальные очки для компьютера выбирают пользователи с нормальным зрением. При дальнозоркости или близорукости с такими стеклами у объектов будут размытые очертания.
Бифокальные очки
Верхняя половина бифокальных очков нацелена на монитор компьютера, а нижняя часть адаптирована для восприятия картинок с близкого расстояния. Этот защитный аксессуар обеспечивает комфортную работу с ПК и чтение вблизи, но при этом отдаленные объекты восприниматься расплывчато. Бифокальные линзы обладают видимой границей, разделяющей экран на две оптические зоны.
Прогрессивные очковые линзы
Внешне прогрессивные линзы похожи на монофокальные, но от последних они отличаются наличием трех сегментов с разными обзорными возможностями. Верхняя часть назначена для просмотра на дальнем расстоянии, буферная широкая зона – для непосредственной работы на ПК, а нижняя часть – для фокусировки на близком расстоянии. Данный тип линз считается комфортным, поскольку они помогают хорошо видеть на разных дистанциях. Лучше всего подбор прогрессивных очков для компьютера доверять профессионалам.

Как купить бифокальные очки
Для покупки бифокальных очков необходимо два рецепта или рецепт, в котором врач отметит зоны с разными оптическими свойствами
Очень важно уточнить назначение дополнительного сегмента линзы и на каком расстоянии нужна четкость зрения
После этого нужно выбрать понравившуюся оправу и форму окошка. Чтобы очками было удобно пользоваться, оправа обязательно должна быть ободковая, сидеть на носу очки должны плотно, а крепление заушин выбирайте нижнее или среднее.

Схема бифокальных очков
Само по себе изготовление таких очков на заказ сложностей не представляет. Однако надо помнить, что привыкать к ним приходится примерно неделю. При этом придется научиться корректировать взгляд через ту или иную зону линзы не только движением собственно глаз, но и приподнимая или опуская голову. Если через неделю привыкания не произошло и глаза испытывают дискомфорт, нужно проверить качество исполнения и скорректировать линзы. Обычно в качестве первых бифокальных очков рекомендуют простые прямые «половинки» — в этом случае и изготовление и контроль за зрением в процессе пользования очками проще. Если у вас уже есть опыт ношения бифокалок, можно начинать эксперименты с окошками разной формы и размера.

Коррекция основной линзы
Эффекта бифокальности можно достичь подточкой (коррекцией) основной линзы или особой наклейкой.

Эффект бифокальности с помощью специальной наклейки
Особенности макияжа при ношении бифокальных очков
Очки никогда не были просто приспособлением для зрения – они с самого начала рассматривались как модный аксессуар. Чисто технически выбор оправы, формы и тона линз для бифокальных очков ничем не отличаются от подбора обычных. Однако приходится учитывать заметность «окошка» в линзе.
Окошко не только заметно само по себе, оно еще и работает как увеличительное стекло
Особенно это важно для дам, активно использующих макияж и любительниц селфи. Поэтому при макияже необходим учитывать эту особенность и стараться сделать его так, чтобы видимая через эту особую зону линзы часть лица не оказалась искаженной
Это значит, что нужно очень осторожно пользоваться подводками, тенями, тщательнее растушевывать слои. В идеале нужно сделать макияж так, чтобы в зоне «окна» не было границ цвета или линий, перепад толщины которых на границе будет очень заметен
Поэтому лучшим выбором для постоянного ношения с макияжем будут очки с половинным прямым делением линзы. Однако эту особенность линзы можно использовать и в своих целях:
- чтобы немного приподнять наружный уголок глаза, применяют косую линию нижнего поля, идущую по направлению от виска к кончику носа;
- чтобы скрыть небольшие морщинки, подбирайте линзу так, чтобы граница пришлась точно над ними;
- увеличить глаз можно, если поместить прямо напротив него овальное окошко;
- окошко необычной формы («смайлик», «улыбка» и т.д.) добавит нотку оригинальности в макияж.
https://youtube.com/watch?v=XF2ZTtqUSS0
Основное достоинство бифокалок — четкое зрение на заданном расстоянии и удобство в использовании. А любая необычность облика, в том числе и бифокальные очки – это всегда изюминка, стиль. Вовсе необязательно скрывать эту зону линзы или стесняться плохого зрения
Более того, можно дополнительно привлечь к этому внимание и получить «бонус». Например, Майкл Джексон в последние годы жизни появлялся только в бифокальных очках, сделав их обязательной частью своего имиджа
Если маленькое окошко линзы сильно заметно и увеличивает какой-то участок кожи около глаза, можно прибегнуть к открытому французскими модницами методу мушек – и наклеить в этом месте небольшой страз. С этого момента любой, кто вас увидит, будет занят не недостатками кожи или необычностью вашего зрения, а мыслью о вашей оригинальности.
Мультифокальные очки
 Со временем бифокальные усовершенствовались и сейчас созданы конструкции с постепенным переходом от одной линзы к другой, без ощущаемых границ. Конечно, для комфортного пользования такими очками нужна определённая адаптация. На границах переходов присутствует небольшое искажение. Со стороны привлекательности они выглядят лучше, не искажают формы глаза для посторонних лиц. Мультифокальные пользуются спросом у молодых пациентов.
Со временем бифокальные усовершенствовались и сейчас созданы конструкции с постепенным переходом от одной линзы к другой, без ощущаемых границ. Конечно, для комфортного пользования такими очками нужна определённая адаптация. На границах переходов присутствует небольшое искажение. Со стороны привлекательности они выглядят лучше, не искажают формы глаза для посторонних лиц. Мультифокальные пользуются спросом у молодых пациентов.
Дизайнеры предлагают разнообразные формы бифокальных очков. Что может подойти, назначается с учётом остроты зрения, профессии, образа жизни пациента, подвижного или спокойного. Участки линз могут быть различной формы: большой, маленькой, кромка может быть различной формы: горизонтальной, круглой или овальной. Расположение сегмента относительно оправы бывает выше или ниже. Есть множество различных комбинаций.
Что это такое?
По форме такие очки схожи с обычными, но их линзы различаются. Бифокальные очки имеют две разные линзы, соединенные в одном стекле. Каждая линза имеет свою силу преломления поступающего в нее света.
Как правило, одна из них преломляет свет для того, чтобы помогать видеть дальние объекты, а другая преломляет свет для получения четкого изображения ближних объектов.
Поэтому человеку не нужно иметь при себе две пары очков, он может фокусировать взгляд на одной из частей стекла и хорошо видеть любые объекты.
Больший акцент при изготовке таких очков делается на нижнюю линзу. Это связано с тем, что именно она несет специфическую функцию переключения взгляда на различение близких объектов и преломления изображения от них.
Эта функция более важна в быту и многих родах профессиональной деятельности. Также такое расположение установлено из-за того, что при рассмотрении мелких и близких предметов взгляд чаще всего направлен вниз (чтение книги на столе, рассмотрение экрана компьютера, вышивание и т.д).
При взгляде вдаль он направлен по центру глаза или по его верхней части. Но в некоторых случаях «ближняя» линза может заполнять верхнюю часть стекла.

Из-за возможности быстрой смены фокуса бифокальные очки широко используются часовщиками, ювелирами, редакторами текстов, представителями прочих профессий, где важна работа с мелкими объектами.
Бывают случаи, когда на место верхней линзы вставляется обычное стекло без диоптрий. Такие очки используются людьми, которые страдают только близорукостью без других нарушений остроты зрения.
Если они носят обычные очки, то при чтении они видят хорошо, а дальние объекты выглядят расплывчатыми, так как для их рассмотрения не нужны линзы с диоптриями. В этом случае линзу вставляют только в нижнюю часть оправы.
Нижняя линза изготавливается в различных формах, которые могут отвечать как эстетическим потребностям, так и практическим. Она может быть округлой формы и прямоугольной, занимать ровно половину стекла или меньшую его часть.
Схематически они выглядят следующим образом:

Действительно, их использование во многом помогает видеть “по-новому”, однако, не стоит забывать и о воостановлении своего зрения. К примеру, упражнениями дома можно улучшить при дальнозоркости.
Одна линза, много функций



Фото: Популярные стили бифокальных линз.
Мультифокальные очковые линзы обладают двойной оптической силой, чтобы вы могли видеть объекты на любых расстояниях после того как в связи с возрастом (пресбиопией) ваши глаза утратят способность естественно изменять фокус.
Прогрессивные мультифокальные линзы постепенно меняют оптическую силу от верхней части линзы до нижней и являются более универсальными. Отзывы о них, как правило, хорошие.
Как устроены бифокальные линзы. Для людей предпочитающих бифокальные линзы прогрессивным (видео)
https://youtube.com/watch?v=_NDe_caZfr0%2520
Хотя мультифокальные линзы обычно назначают взрослым людям старше 40 лет для коррекции проявлений пресбиопии, в некоторых случаях бифокальные линзы носят дети и молодые люди, у которых есть проблемы при фокусировке, вызывающие чрезмерное напряжение зрения при чтении.
В этих случаях нижняя часть бифокальной линзы уменьшает количество усилий при фокусировке, когда вы пытаетесь рассмотреть предметы на близком расстоянии. Хотите подобрать эффективные линзы для очков, читайте статью: Прогрессивные линзы для очков достигают зрелости.
Также согласно проведенным исследованиям бифокальные и другие мультифокальные линзы могут помочь контролировать проявления миопии у детей путем снятия чрезмерного напряжения при фокусировке и концентрации во время чтения.
 Независимо от причины заболевания вам понадобится рецепт для коррекции зрения, все бифокальные линзы могут быть назначены таким образом. Небольшой участок в нижней части линзы заключает в себе оптическую силу, которая помогает скорректировать ваше ближнее зрение. Остальная часть направлена на коррекцию дальнего зрения.
Независимо от причины заболевания вам понадобится рецепт для коррекции зрения, все бифокальные линзы могут быть назначены таким образом. Небольшой участок в нижней части линзы заключает в себе оптическую силу, которая помогает скорректировать ваше ближнее зрение. Остальная часть направлена на коррекцию дальнего зрения.
Сегмент линзы, помогающий корректировать ближнее зрение, может иметь несколько стилей:
- Полумесяц – плоский или прямой верх, либо сегмент D
- Круглый сегмент
- Узкая прямоугольная область – ленточный сегмент
- Сегмент, полностью занимающий всю нижнюю часть линзы – название Франклин, администратор или стиль E
Как правило, вы поднимаете взгляд вверх и смотрите вдоль определенного расстояния, фокусируясь на отдаленных объектах, затем смотрите вниз сквозь бифокальный сегмент, когда читаете или рассматриваете объекты, которые расположены в пределах не более 18 дюймов от ваших глаз.
 Трифокальные линзы имеют три центра фокусировки – для отдаленного расстояния, промежуточного и ближнего зрения. Промежуточный сегмент в трифокальных линзах расположен непосредственно над сегментом для ближнего зрения и используется для того, чтобы вы могли рассматривать объекты на расстоянии вытянутой руки.
Трифокальные линзы имеют три центра фокусировки – для отдаленного расстояния, промежуточного и ближнего зрения. Промежуточный сегмент в трифокальных линзах расположен непосредственно над сегментом для ближнего зрения и используется для того, чтобы вы могли рассматривать объекты на расстоянии вытянутой руки.
Бифокальные очки. Очки с прогрессивными линзами. Коррекция пресбиопии очками (видео)
https://youtube.com/watch?v=Xz9rvx7y1EY%2520
Компьютер – превосходный пример объекта, находящегося в зоне промежуточного зрения. Автомобилисты, которым одновременно необходимо смотреть на дорогу, датчики на приборной панели и читать карту, также оценят преимущества трифокальных линз.
Самые популярные формы трифокальных линз – «плоский» сегмент и «администратор».
Мультифокальные линзы
Бифокальные очки постепенно уходят в историю, поскольку их заменяет относительно новое изобретение. Помимо дальних и близких расстояний, для которых есть свои зоны, существует еще так называемая переходная. Она тоже играет немалую роль, поэтому неудивительно, что данный фактор начал учитываться при коррекции зрения.
Такие линзы также могут называться прогрессивными, и они имеют разную структуру. В зависимости от особенностей зрения подбираются асферический, концентрический или кольцевой дизайн. Это решает врач при диагностике, так что не стоит пытаться подобрать стекла самостоятельно. Здесь имеет значение не только дизайн, но и материал, особенно если речь идет не об очках, а о контактных линзах.
 
					


















































 Загрузка...
 Загрузка... 
							
							
						